Product description:    
  AMV7 parametri vane pneumaticae motoris productum;  
  Potestas: 7KW, horsepower: 9.5HP, torque: 34N.m, celeritas libera: 2000RPM, consumptio aeris: 7700L/min, pondus: 33-36KG (modi institutionis diversae, pondera diversae), tres modi institutiones in promptu sunt: verticalis, horizontalis , LABIUM, valvae imperium manualem ad libitum, fregit, calces redactor, moderatoris. 
     Signi lineamenta:    
  Usura aeris compressi ut fons potentiae tuta et explosionis probatio. Productum habet libellum explosione-probationis et signa salutis nationalis obviat. High speed and high torque will not burn due to overload. Celeritas gradatim accommodatur. Valvae imperium adhibetur ad mutandum initium, temperatio, et desine, et directio statim verti potest. Motor autem ordinatur ut totum inclusum et in ambitu pulverulento, humido et aspero adhiberi potest. In chemicis industria, semiconductoribus, crystallis, petrochemicis, technicis biochemicis, officinis pingendis, machinationibus automatis aliisque industriis late usus est. 
     Opus environment:    
  Liquor: Cogo caeli  
  Pressura utens: 5Kg/cm     2    (70psi)  
  Maximum opus pressura: 6Kg/cm     2    (85psi)  
  Ambiens temperatus: -10°C~ 70°C (tantum adhiberi potest in non-frigida re publica)  
  Oleum lubricatum: IS0VG32 vel simile. (Opus est oleum cum caligo olei, 2~3 guttae per minutias).  
  Continuus usus: Immo (continue sine onere currere non potest).  
  Commendatur celeritas: (0.3~1) x maximum output speed. 
Detailed parametri
AMV7-L
     
   
AMV-F
     
   
| Exemplar | Ratio calces | Date in Max Potestas | Data apud Max Torque | Pondus (KG) | ||||||||
| Power | Torque | Celeritas | Air Consumptio | Max Torque | Vertical | Horizontal | Flange | |||||
| H P | KW | N.m | lbf.ft | rpm | L/min | N.m | lbf.ft | KG | KG | KG | ||
| AMV7 | 9.5 | 7 | 34 | 25 | 2000 | 7900 | 53 | 39.1 | 33 | 33 | 36 | |
| 1/5.3 | 170 | 125.5 | 375 | 243 | 179.3 | 61 | 64 | . | ||||
| 1/9.9 | 305 | 225.1 | 200 | 446 | 329.1 | |||||||
| 1/15.35 | 465 | 343.2 | 130 | 695 | 512.9 | |||||||
| 1/27.88 | 851 | 628 | 70 | 1321 | 974.9 | |||||||
| 1/47.58 | 1425 | 1051.7 | 42 | 2165 | 1597.8 | 99 | 102 | . | ||||
| 1/59.92 | 1720 | 1269.3 | 30 | 2695 | 1988.9 | |||||||
| 1/80.91 | 2280 | 1682.6 | 24 | 3607 | 2662 | 256 | 266 | . | ||||
| 1/103.2 | 2987 | 2204.4 | 19 | 4780 | 3527.6 | |||||||
| 1/156.31 | 4458 | 3290 | 12 | 7215 | 5324.7 | |||||||
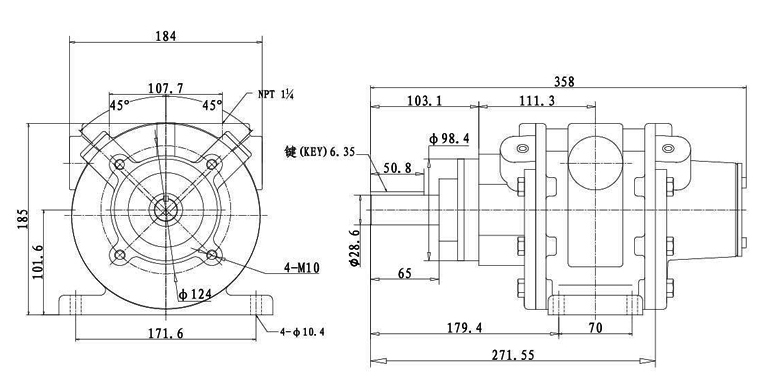
AMV7 dimensiones institutiones
           |                |    
| AMV7-F Vertical | AMV7-L Horizontal | 

In modern industriae productio systems, in perficientur potentia unitates directe determinat efficientiam et stabilitatem productio processibus. Sicut coegi fabrica usura compressi aere sicut eius ...
Vide pluraIn modern industria, in arbitrium virtutis transmissio apparatu directe impingit productio efficientiam et operational stabilitatem. Sicut coegi fabrica powered per aerem compressi positivu...
Vide pluraIn ingenti arenam modern industriae productio, elevatio apparatu est necessaria 'post-the-scaenae heros, "tacite sustinere lenis operationem variis productio processibus. Inter eos Pne...
Vide pluraStay Connected